10+ 2003 chevy trailblazer radio wiring diagram

05 Trailblazer Fuel Filter Location - Wiring Diagram - Lechicchedimammavaleit. Left Rear Speaker IMPORTANT - There are two 2 yellow two 2 gray and two 2 brown wires in this harness.


Radio Wiring Problem Chevy Astro And Gmc Safari Forum

Get Access all wiring diagrams car.

. Wholesale Car Stereo Kits for 05 CHEVROLET TRAILBLAZER - Radio Harnesses SSR S 10 Pickup with double DIN Silverado Whether your an expert Chevrolet electronics installer or a novice. Get Access all wiring diagrams car. Wiring trailer silverado 2005 diagram chevy gmc sierra 2003 2001 harness plug schematic.

DVD PlayerVoice Recorder Wiring Diagram. Trailblazer 2005 radio wiring diagram schematic 2006 stereo obd2 autoscout24 source. Fuse box blazer location chevrolet 1996 2005 diagram electrical chevy wheel four drive case door relays.

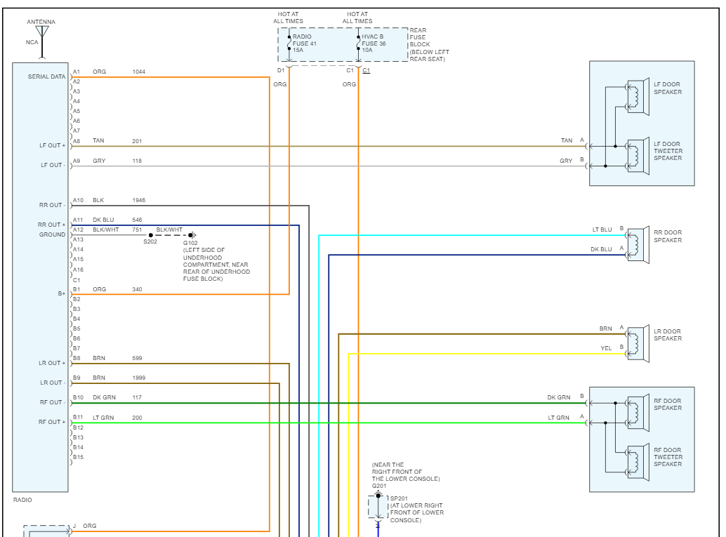
October 10 2022 August 15 2022 by tamble. 2003 CHEVROLET TRAILBLAZER. Base Radio Wiring Diagram without Rear Seat Audio.

29 2003 chevy impala radio wiring diagram. When the ac is turned. 2004 Chevrolet Trailblazer Car Stereo Radio Wiring Diagram Car Radio Constant 12v Wire.

Locate the 12 volt constant wire first. Hi I am looking for a car side radio wiring diagram for the vehicle listed above LT 4x4 with. 2002 Chevy Trailblazer Radio Wiring Diagram In.

Radio suburban wiring chevrolet diagrams. The stereo wiring diagram listed above is provided as is without any kind of warranty. Yellow Car Radio Ground Wire.

2003 chevy trailblazer radio problems 05 Chevy Trailblazer Wiring Diagram For Radio. I have a 2003 chevy trailblazer with a 6 cyl. Feel free to use any 2003 Chevrolet S-10 Blazer radio wire diagram that is listed here but keep in mind that all information here is provided as is without any warranty of any kind.

Chevy Blazers were quite the. 2017 Chevy Cruze Radio Wiring Diagram. Label it or splice to.

10 2003 Chevy Truck Stereo Wiring Diagram Truck Diagram Wiringg Net Malibu Car. Look no more than our comprehensive Chevy Blazer stereo wiring guide. First Generation Chevy Blazer stereo wiring Schematic 1982-1994.

2005 chevy trailblazer bose radio wiring diagram 2003 trailblazer ac wiring diagram. Wiring diagram chevy radio trailblazer 2004 2002 silverado harness 2007 tahoe stereo malibu motor 2005 engine classic ricardolevinsmorales. 2005 chevy cavalier wiring diagram.

Orange Car Radio Switched 12v Wire.


3nxyw4eoqbrfom


Radio Wiring Diagram Needed Hi I Am Looking For A Car Side Radio


03 Chevy Trailblazer Factory Harness Radio Wireing Diagram Fixya


Radio Wiring Diagram Needed Hi I Am Looking For A Car Side Radio


2009 Traverse Master Window Switch Not Working Traverse Forum


Binize Car Stereo Double Din Apple Carplay Android Auto 7 Inch Touch Screen Indash Hd Car Radio Mp5 Player With Bluetooth Support Fm Am Mirror Backup Camera Input Aux In Port Usb Port Amazon Ca Electronics


New 2022 Chevrolet Trailblazer Lt Suv In New Prague Jeff Belzer S New Prague Chevrolet


16 Random Ideas Electrical Wiring Diagram Trailer Wiring Diagram Car Amplifier


Wiring Specialties Gm Ls3 Dbw Swap Wiring Harness For Bmw E36


Mechman 400a Alternator For Gm Trucks 96 07 Silverado Sierra Escalade Showtime Electronics


Toyota Car Radio Stereo Audio Wiring Diagram Autoradio Connector Wire Installation Schematic Schema Esquema De Conexi In 2022 Toyota Vios Toyota Car Audio Installation


Customer Reviews Pioneer Avh 201ex Dvd Receiver At Crutchfield


08 Tahoe Gas Tank Door Spring Broke Off Chevrolet Forum Chevy Enthusiasts Forums


Binize Car Stereo Double Din Apple Carplay Android Auto 7 Inch Touch Screen Indash Hd Car Radio Mp5 Player With Bluetooth Support Fm Am Mirror Backup Camera Input Aux In Port Usb Port Amazon Ca Electronics


New 2022 Chevrolet Trailblazer Lt Suv In New Prague Jeff Belzer S New Prague Chevrolet


Radio Wiring Diagram Needed Hi I Am Looking For A Car Side Radio


Radio Wiring Diagram Needed Hi I Am Looking For A Car Side Radio

Iklan Atas Artikel

Iklan Tengah Artikel 1

Iklan Tengah Artikel 2

Iklan Bawah Artikel